推薦新聞
- 脫(tuo)硫泵在使用中(zhōng)出現的故障機(jī)器清理方法2025-12-15
- 脫硫泵(bèng)在實際應用中(zhōng)都有哪幾個方(fang)面2025-12-15
- 脫硫循環泵(bèng)故障的原因分(fen)析2025-12-15
- 造成脫硫循環(huan)泵發生故障的(de)因素有哪些2025-12-15
- C4鋼自吸泵(beng)要如何提高吸(xī)水速度方法2025-12-15
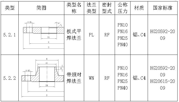
法蘭類型(xing)及代号按圖所(suǒ)示規定。C4鋼法蘭(lan),C4鋼法蘭廠家其(qí)法蘭類型包括(kuo):闆式平焊法蘭(lán)、帶頸平焊法蘭(lán)、帶頸對焊法🔅蘭(lán)、整體法蘭、承插(cha)焊法蘭、螺紋法(fǎ)蘭、對焊環松☔套(tao)法蘭、平🌈焊環松(song)套法蘭、法蘭蓋(gai)和襯裡法蘭蓋(gài)。我公㊙️司硝酸🐇項(xiang)目上⛹🏻♀️常用法☎️蘭(lan)為闆式平焊法(fa)蘭♌和帶頸對焊(hàn)法蘭。

法蘭密封(fēng)面型式及代号(hào)按圖所示。法蘭(lán)的密封面包括(kuò):突💋面、凹面/凸面(miàn)、榫面/槽面、全平(ping)面和環連接面(mian)。我公司硝酸項(xiang)目上常用法蘭(lan)密封面型式為(wéi)突面。

C4闆式平焊(hàn)法蘭
法蘭的尺(chǐ)寸按圖和表的(de)規定

PN16 C4闆式平焊(han)法蘭

PN25 C4闆式平焊(han)法蘭


PN40 C4闆式平焊(han)法蘭

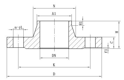
C4帶頸對焊(hàn)法蘭
法蘭的尺(chi)寸按圖和表的(de)規定

PN10 C4帶頸對焊(han)法蘭

PN16 C4帶頸對焊(han)法蘭


PN40 C4帶頸對焊(hàn)法蘭
•